ម៉ាស៊ីនសាកល្បងជាសកលធារាសាស្ត្រ WAW-600D គ្រប់គ្រងដោយមីក្រូកុំព្យូទ័រ
ការពិពណ៌នាសង្ខេប៖
WAW-600D Microcomputer Controlled Hydraulic Universal Testing Machine ទិដ្ឋភាពទូទៅនៃផលិតផល៖ តួសំខាន់នៃ WAW-600D microcomputer ដែលគ្រប់គ្រងដោយ electro-hydraulic servo hydraulic test universal machines ទទួលយករចនាសម្ព័ន្ធតួសំខាន់ប្រភេទស៊ីឡាំងចុះក្រោម ដែលប្រើជាចម្បងសម្រាប់ការធ្វើតេស្តដំណើរការមេកានិច ដូចជាភាពតានតឹង ការបង្ហាប់ ការពត់កោងនៃវត្ថុធាតុដើមលោហៈ វត្ថុធាតុដើមមិនមែនលោហធាតុ ផ្នែកផលិតផល សមាសធាតុ ធាតុផ្សំនៃរចនាសម្ព័ន្ធ និងស្តង់ដារ ផ្នែក។ ប្រសិនបើបំពាក់ដោយឧបករណ៍បរិស្ថាន ស៊េរីនេះ...
WAW-600D គ្រប់គ្រងដោយមីក្រូកុំព្យូទ័រម៉ាស៊ីនធ្វើតេស្តជាសកលធារាសាស្ត្រ
ទិដ្ឋភាពទូទៅនៃផលិតផល៖
តួសំខាន់នៃម៉ាស៊ីនតេស្តធារាសាស្ត្រ servo អេឡិចត្រូនិកដែលគ្រប់គ្រងដោយមីក្រូកុំព្យូទ័រ WAW-600D ទទួលយករចនាសម្ព័ន្ធរាងកាយសំខាន់ប្រភេទស៊ីឡាំងចុះក្រោម ដែលភាគច្រើនប្រើសម្រាប់ការធ្វើតេស្តដំណើរការមេកានិក ដូចជាភាពតានតឹង ការបង្ហាប់ ការពត់កោងនៃលោហៈ វត្ថុធាតុដើមមិនមែនលោហធាតុ ផលិតផល។ ផ្នែក សមាសធាតុ ធាតុផ្សំនៃរចនាសម្ព័ន្ធ និងផ្នែកស្តង់ដារ។
ប្រសិនបើបំពាក់ដោយឧបករណ៍បរិស្ថាន ស៊េរីនៃម៉ាស៊ីនសាកល្បងនេះក៏អាចអនុវត្តការធ្វើតេស្តភាពតឹងណែន ការបង្ហាប់ និងពត់នៃសម្ភារៈនៅក្នុងបរិយាកាសនោះ។ ឧទាហរណ៍ៈ tensile សីតុណ្ហភាពខ្ពស់ សីតុណ្ហភាពទាប tensile ការបង្ហាប់ និងការធ្វើតេស្តផ្សេងទៀត។
ស័ក្តិសមសម្រាប់ដែក លោហធាតុ សម្ភារៈសំណង់ មជ្ឈមណ្ឌលត្រួតពិនិត្យគុណភាព ការអភិរក្សទឹក និងថាមពលវារីអគ្គិសនី ស្ពានផ្លូវហាយវេ វិទ្យាស្ថានស្រាវជ្រាវ វិស្វកម្មមេកានិកនៅក្នុងមហាវិទ្យាល័យ និងសាកលវិទ្យាល័យ និងរោងចក្រ អណ្តូងរ៉ែ សហគ្រាស និងស្ថាប័នសាកល្បង និងស្រាវជ្រាវផ្សេងទៀត។
ស្តង់ដារផលិតកម្ម និងការត្រួតពិនិត្យផលិតផល
GB2611 "តម្រូវការបច្ចេកទេសទូទៅសម្រាប់ម៉ាស៊ីនសាកល្បង"
JJG139 “ភាពតានតឹង សម្ពាធ និងម៉ាស៊ីនសាកល្បងជាសកល“
ស្តង់ដារវិធីសាស្ត្រសាកល្បងដែលអាចអនុវត្តបាន។
ប្រតិបត្តិការពិសោធន៍ និងដំណើរការទិន្នន័យបំពេញតាមតម្រូវការនៃស្តង់ដាររាប់រយដូចជា GB/T228 “វិធីសាស្ត្រតេស្តភាពតានតឹងសម្រាប់សម្ភារៈលោហធាតុនៅសីតុណ្ហភាពបន្ទប់” GB/T7314 “វិធីសាស្ត្រធ្វើតេស្តបង្ហាប់សម្រាប់លោហៈធាតុនៅសីតុណ្ហភាពបន្ទប់” GB/T232 “ពត់កោង វិធីសាស្រ្តសាកល្បងសម្រាប់វត្ថុធាតុលោហធាតុ” ។ល។ ហើយវិធីសាស្ត្រដំណើរការទិន្នន័យដែលបំពេញតាមស្តង់ដារផ្សេងៗគ្នាអាចត្រូវបានកំណត់រចនាសម្ព័ន្ធតាមតម្រូវការរបស់អតិថិជន។
សូចនាករបច្ចេកទេសសំខាន់ៗ
1 ម្ចាស់ផ្ទះ
ម៉ាស៊ីនចម្បងទទួលយកប្រភេទស៊ីឡាំងប្រេងដែលបានម៉ោននៅខាងក្រោម ជាមួយនឹងចន្លោះលាតសន្ធឹងដែលស្ថិតនៅខាងលើម៉ាស៊ីនមេ និងកន្លែងសាកល្បងបង្ហាប់ និងពត់ដែលស្ថិតនៅចន្លោះផ្នែកខាងក្រោមនៃម៉ាស៊ីនមេ និងតុការងារ។
2 ប្រព័ន្ធបញ្ជូន
ការលើកនៃធ្នឹមឈើឆ្កាងកណ្តាលទទួលយកម៉ូទ័រដែលជំរុញដោយកង់ខ្សែសង្វាក់ដើម្បីបង្វិលវីស លៃតម្រូវទីតាំងនៃចន្លោះឈើឆ្កាងកណ្តាល និងសម្រេចបាននូវការកែតម្រូវនៃភាពតានតឹង និងទំហំបង្ហាប់។
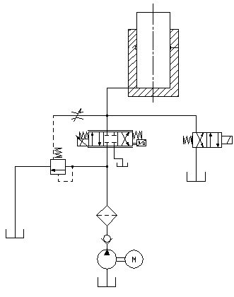
គោលការណ៍ធារាសាស្ត្រនៃប្រព័ន្ធធារាសាស្ត្រត្រូវបានបង្ហាញក្នុងរូបភាពទី 2 ដែលជាប្រព័ន្ធគ្រប់គ្រងល្បឿនបិទបើកប្រេងដែលអាចសម្របខ្លួនបាន។
រូបភាពទី 2 ដ្យាក្រាមគំនូសតាងធារាសាស្ត្រ
ប្រេងធារាសាស្ត្រនៅក្នុងធុងប្រេងត្រូវបានជំរុញដោយម៉ូទ័រដើម្បីចូលទៅក្នុងសៀគ្វីប្រេង ហើយហូរតាមសន្ទះបិទបើកមួយ តម្រងប្រេងសម្ពាធខ្ពស់ ក្រុមសន្ទះសម្ពាធឌីផេរ៉ង់ស្យែល សន្ទះ servo និងចូលទៅក្នុងស៊ីឡាំងប្រេង។ កុំព្យូទ័របញ្ជូនសញ្ញាបញ្ជាទៅសន្ទះ servo សមាមាត្រ ដើម្បីគ្រប់គ្រងការបើក និងទិសដៅនៃសន្ទះ servo សមាមាត្រ ដោយហេតុនេះគ្រប់គ្រងលំហូរចូលទៅក្នុងស៊ីឡាំងប្រេង និងសម្រេចបាននូវការគ្រប់គ្រងនៃកម្លាំងសាកល្បងល្បឿនថេរ ការផ្លាស់ទីលំនៅល្បឿនថេរ ។ល។
4. ប្រព័ន្ធវាស់ និងត្រួតពិនិត្យអគ្គិសនី
(1) សមាសធាតុស្នូលនៃប្រភពប្រេងគ្រប់គ្រង servo គឺជាសមាសធាតុដើមដែលបាននាំចូលទាំងអស់ជាមួយនឹងដំណើរការស្ថេរភាព។
(2) វាមានមុខងារការពារដូចជា Overload, Overcurrent, Overvoltage, Displacement Up-Light limits, and Emergency Stop។
(3) ឧបករណ៍បញ្ជាដែលភ្ជាប់មកជាមួយដោយផ្អែកលើបច្ចេកវិទ្យា PCI ធានាថាម៉ាស៊ីនសាកល្បងអាចសម្រេចបាននូវការត្រួតពិនិត្យរង្វិលជុំបិទជិតនៃប៉ារ៉ាម៉ែត្រដូចជាកម្លាំងសាកល្បង ការខូចទ្រង់ទ្រាយគំរូ និងការផ្លាស់ទីលំនៅរបស់ធ្នឹម ហើយអាចអនុវត្តការធ្វើតេស្តដូចជាកម្លាំងតេស្តល្បឿនថេរ ល្បឿនថេរ។ ការផ្លាស់ទីលំនៅ, សំពាធល្បឿនថេរ, វដ្តផ្ទុកល្បឿនថេរ និងវដ្តនៃការខូចទ្រង់ទ្រាយល្បឿនថេរ។ ការផ្លាស់ប្តូរដោយរលូនរវាងរបៀបគ្រប់គ្រងផ្សេងៗគឺអាចធ្វើទៅបាន។
(4) នៅចុងបញ្ចប់នៃការពិសោធន៍ វាអាចត្រូវបានត្រឡប់ដោយដៃ ឬដោយស្វ័យប្រវត្តិទៅកាន់ទីតាំងដំបូងនៃការពិសោធន៍ក្នុងល្បឿនលឿន។
(5) វាសម្រេចបានសូន្យរូបរាងកាយពិត ការលៃតម្រូវការទទួលបាន និងការផ្លាស់ប្តូរដោយស្វ័យប្រវត្តិ សូន្យ ការក្រិតតាមខ្នាត និងការរក្សាទុកការវាស់វែងកម្លាំងពិសោធន៍ ដោយគ្មានតំណភ្ជាប់ការកែតម្រូវអាណាឡូកណាមួយ ហើយសៀគ្វីត្រួតពិនិត្យត្រូវបានរួមបញ្ចូលយ៉ាងខ្លាំង។
(6) សៀគ្វីត្រួតពិនិត្យអគ្គិសនីអនុវត្តតាមស្តង់ដារអន្តរជាតិ និងអនុលោមតាមស្តង់ដារអគ្គិសនីរបស់ម៉ាស៊ីនតេស្តជាតិ។ វាមានសមត្ថភាពប្រឆាំងនឹងការជ្រៀតជ្រែកដ៏រឹងមាំ ធានាបាននូវស្ថេរភាពនៃឧបករណ៍បញ្ជា និងភាពត្រឹមត្រូវនៃទិន្នន័យពិសោធន៍។
(7) បំពាក់ដោយចំណុចប្រទាក់បញ្ជូនបណ្តាញ វាអាចដំណើរការការបញ្ជូនទិន្នន័យ ការផ្ទុកឯកសារ ការបោះពុម្ព និងការបោះពុម្ពការបញ្ជូនបណ្តាញ ហើយអាចភ្ជាប់ទៅបណ្តាញ LAN ខាងក្នុង ឬបណ្តាញអ៊ីនធឺណែតរបស់សហគ្រាស។
5. ការពិពណ៌នាអំពីមុខងារសំខាន់ៗរបស់កម្មវិធី
កម្មវិធីវាស់ស្ទង់ និងត្រួតពិនិត្យនេះត្រូវបានប្រើសម្រាប់ម៉ាស៊ីនតេស្តធារាសាស្ត្រ servo អេឡិចត្រូនិកដែលគ្រប់គ្រងដោយមីក្រូកុំព្យូទ័រ ដើម្បីធ្វើតេស្តលោហៈ និងមិនមែនលោហធាតុផ្សេងៗ ការវាស់វែង និងការបង្ហាញពេលវេលាពិត ការគ្រប់គ្រងពេលវេលាពិត និងដំណើរការទិន្នន័យ លទ្ធផលលទ្ធផល និងមុខងារផ្សេងទៀតយោងតាម ទៅនឹងស្តង់ដារដែលត្រូវគ្នា។
(1) ការគ្រប់គ្រងផ្អែកលើការអនុញ្ញាត ដែលប្រតិបត្តិករនៅកម្រិតផ្សេងៗគ្នាមានការអនុញ្ញាតប្រតិបត្តិការផ្សេងៗគ្នា និងការចូលទៅកាន់ម៉ឺនុយ និងមាតិកាផ្សេងទៀត។ នេះមិនត្រឹមតែជួយសម្រួល សម្រួល និងបង្កើនល្បឿនប្រតិបត្តិការសម្រាប់ប្រតិបត្តិករធម្មតាប៉ុណ្ណោះទេ ប៉ុន្តែថែមទាំងការពារប្រព័ន្ធយ៉ាងមានប្រសិទ្ធភាពផងដែរ។
(2) ការវាស់វែងពេលវេលាពិតប្រាកដ និងការបង្ហាញកម្លាំងសាកល្បង តម្លៃកំពូល ការផ្លាស់ទីលំនៅ ការខូចទ្រង់ទ្រាយ និងសញ្ញាផ្សេងទៀត; ការប្រមូល និងការគ្រប់គ្រងពេលវេលាពិតប្រាកដត្រូវបានសម្រេចនៅលើវេទិកា។ និងសម្រេចបាននូវពេលវេលាច្បាស់លាស់ និងគំរូល្បឿនលឿន។
(3) ការបង្ហាញអេក្រង់ពេលវេលាពិតនៃខ្សែកោងសាកល្បងផ្សេងៗដូចជាការខូចទ្រង់ទ្រាយការផ្ទុក និងការផ្លាស់ទីលំនៅរបស់បន្ទុកត្រូវបានសម្រេច ដែលអាចប្តូរ និងសង្កេតបានគ្រប់ពេលវេលា។ ការពង្រីក និងចេញពីខ្សែកោងគឺងាយស្រួលណាស់;
(4) កុំព្យូទ័រមានមុខងារដូចជា រក្សាទុក កំណត់ និងផ្ទុកប៉ារ៉ាម៉ែត្រពិសោធន៍។ ការដាក់សូន្យ ការក្រិតតាមខ្នាត និងប្រតិបត្តិការផ្សេងទៀតត្រូវបានអនុវត្តតាមរយៈកម្មវិធី ហើយប៉ារ៉ាម៉ែត្រនីមួយៗអាចត្រូវបានរក្សាទុក និងនាំចូលបានយ៉ាងងាយស្រួល ដែលធ្វើឱ្យវាងាយស្រួលក្នុងការប្តូររវាងឧបករណ៍ចាប់សញ្ញាច្រើននៅលើម៉ាស៊ីនដោយមិនកំណត់ចំនួនឧបករណ៍ចាប់សញ្ញាណាមួយឡើយ។
(5) គាំទ្រវិធីសាស្រ្តត្រួតពិនិត្យច្រើន រួមទាំងការផ្លាស់ទីលំនៅល្បឿនថេរនៃរង្វិលជុំបើកចំហ កម្លាំងល្បឿនថេរ ភាពតានតឹងល្បឿនថេរ និងវិធីសាស្ត្រគ្រប់គ្រងរង្វិលជុំបិទផ្សេងទៀត; និងផ្តល់នូវខ្សែកោងយោងស្តង់ដារក្នុងអំឡុងពេលដំណើរការបំបាត់កំហុសនៃប៉ារ៉ាម៉ែត្របិទជិតដោយប្រតិបត្តិករកម្រិតខ្ពស់ ដូច្នេះអ្នកប្រើប្រាស់ពិតជាអាចសង្កេតមើលផលប៉ះពាល់នៃប៉ារ៉ាម៉ែត្រនីមួយៗលើឥទ្ធិពលនៃរង្វិលជុំបិទ។
(6) បំពាក់ដោយប្រព័ន្ធអ្នកជំនាញដ៏ឆ្លាតវៃសម្រាប់កំណត់របៀបត្រួតពិនិត្យដំណើរការពិសោធន៍ ដោយផ្តល់ឱ្យអ្នកប្រើប្រាស់ដែលមានជំនាញវិជ្ជាជីវៈជាមួយនឹងអ្នកសរសេរកម្មវិធីដែលអាចបង្កើតកម្មវិធីដោយស្វ័យប្រវត្តិ។ អ្នកប្រើប្រាស់អាចរួមបញ្ចូលគ្នានូវវិធីសាស្ត្រត្រួតពិនិត្យជាច្រើន និងល្បឿនគ្រប់គ្រងដោយភាពបត់បែនទៅតាមតម្រូវការ និងច្បាប់ជាក់ស្តែង ព្រមទាំងបង្កើតកម្មវិធីត្រួតពិនិត្យដែលសាកសមនឹងតម្រូវការរបស់ពួកគេ។ កម្មវិធីវាស់ស្ទង់ និងត្រួតពិនិត្យនឹងគ្រប់គ្រងដំណើរការសាកល្បងដោយស្វ័យប្រវត្តិ យោងទៅតាមការកំណត់របស់អ្នកប្រើប្រាស់។
(7) វិភាគទិន្នន័យតាមរយៈអន្តរកម្មរវាងមនុស្ស និងកុំព្យូទ័រ។ វិធីសាស្រ្តដំណើរការបំពេញតាមតម្រូវការនៃស្តង់ដារដែលបានប្រើយ៉ាងទូលំទូលាយ និងអាចគណនាដោយស្វ័យប្រវត្តិនូវប៉ារ៉ាម៉ែត្រដំណើរការផ្សេងៗដូចជាម៉ូឌុលយឺត កម្លាំងទិន្នផល និងកម្លាំង tensile មិនសមាមាត្រដែលបានបញ្ជាក់។ វាក៏អាចត្រូវបានធ្វើអន្តរាគមន៍ដោយដៃនៅក្នុងដំណើរការវិភាគ ដើម្បីបង្កើនភាពត្រឹមត្រូវនៃការវិភាគ។ ដំណើរការទិន្នន័យផ្សេងទៀតក៏អាចត្រូវបានអនុវត្តទៅតាមស្តង់ដារដែលផ្តល់ដោយអ្នកប្រើប្រាស់ផងដែរ។
(8) ទិន្នន័យពិសោធន៍ត្រូវបានរក្សាទុកក្នុងឯកសារអត្ថបទសម្រាប់សំណួរអ្នកប្រើប្រាស់ងាយស្រួល ហើយអាចត្រូវបានដំណើរការបន្ថែមទៀតដោយប្រើរបាយការណ៍ពាណិជ្ជកម្មទូទៅ ឬកម្មវិធីដំណើរការពាក្យ ខណៈពេលដែលជួយសម្រួលដល់ការបញ្ជូនទិន្នន័យតាមរយៈអ៊ីនធឺណិត។
(9) ខ្សែកោងទិន្នន័យនៃដំណើរការពិសោធន៍អាចត្រូវបានកត់ត្រា និងរក្សាទុក ហើយខ្សែកោងអាចត្រូវបានត្រួតលើគ្នា និងប្រៀបធៀបសម្រាប់ការវិភាគប្រៀបធៀបងាយស្រួល។
(10) របាយការណ៍សាកល្បងអាចត្រូវបានបោះពុម្ពជាទម្រង់ដែលត្រូវការដោយអ្នកប្រើប្រាស់។ អ្នកប្រើប្រាស់អាចជ្រើសរើសខ្លឹមសារនៃរបាយការណ៍បញ្ចេញព័ត៌មានមូលដ្ឋាន លទ្ធផលពិសោធន៍ និងខ្សែកោងពិសោធន៍ ដើម្បីបំពេញតម្រូវការផ្សេងៗ។
(11) ការសូន្យឌីជីថល និងការក្រិតដោយស្វ័យប្រវត្តិនៃកម្លាំងពិសោធន៍ និងការខូចទ្រង់ទ្រាយត្រូវបានសម្រេច ដែលជួយសម្រួលដល់ប្រតិបត្តិការ និងបង្កើនភាពជឿជាក់របស់ម៉ាស៊ីន។ ការកំណត់ប្រព័ន្ធប៉ារ៉ាម៉ែត្រផ្សេងៗត្រូវបានរក្សាទុកក្នុងទម្រង់ឯកសារ ដើម្បីងាយស្រួលក្នុងការរក្សាទុក និងការសង្គ្រោះ។
(12) អាចត្រូវបានអនុវត្តទៅនឹងប្រព័ន្ធប្រតិបត្តិការ Win7 ។ ការគ្រប់គ្រងនៃដំណើរការពិសោធន៍ ការផ្លាស់ប្តូរល្បឿននៃចលនាឆ្លងកាត់ ការបញ្ចូលប៉ារ៉ាម៉ែត្រ និងប្រតិបត្តិការផ្សេងទៀតទាំងអស់អាចត្រូវបានបញ្ចប់ដោយប្រើក្តារចុច ឬកណ្តុរ ដែលធ្វើឱ្យវាងាយស្រួល និងរហ័សក្នុងការប្រើប្រាស់។
(13) បំពាក់ដោយការការពារលើសទម្ងន់ និងមុខងារបិទដោយស្វ័យប្រវត្តិ វាអាចរកឃើញការបាក់ឆ្អឹងគំរូ និងបិទដោយស្វ័យប្រវត្តិ។
យោងតាមតម្រូវការរបស់អ្នកប្រើប្រាស់ផ្សេងៗគ្នា មុខងារកម្មវិធីខាងលើអាចត្រូវបានកែតម្រូវ ឬកែប្រែ។
6. ចំណុចប្រទាក់ប្រតិបត្តិការកម្មវិធី និងកម្មវិធី៖
(1) កម្មវិធីអាចដំណើរការលើប្រព័ន្ធ Windows 7 ហើយចំណុចប្រទាក់អ្នកប្រើបង្ហាញប្រព័ន្ធបង្អួចចិនស្របតាមរចនាប័ទ្មវីនដូ។ ប្រតិបត្តិការពិសោធន៍ទាំងអស់អាចត្រូវបានបញ្ចប់តាមរយៈការបញ្ចូលកណ្តុរនៅលើអេក្រង់កុំព្យូទ័រ។
ចំណុចប្រទាក់ចម្បងនៃម៉ាស៊ីនសាកល្បង
(ចំណុចប្រទាក់កម្មវិធីគឺខុសគ្នាបន្តិចបន្តួច ភាគច្រើនផ្អែកលើការពិត)
7. របាយការណ៍សាកល្បង៖
ស្វែងរក និងគ្រប់គ្រងទិន្នន័យពិសោធន៍តាមរយៈឯកសារទិន្នន័យពិសោធន៍; ប្ដូរតាមបំណងនូវខ្លឹមសារ និងទម្រង់នៃរបាយការណ៍ពិសោធន៍ តាមរយៈការកំណត់គំរូរបាយការណ៍។ តាមរយៈការកែសម្រួលរូបមន្ត និងធាតុលទ្ធផល ការគាំទ្រសម្រាប់ស្តង់ដារ និងវិធីសាស្ត្រពិសោធន៍ភាគច្រើនអាចសម្រេចបាន។ បន្ទាប់ពីផ្ទុកឯកសារទិន្នន័យសាកល្បងមួយ ឬច្រើន បង្កើតរបាយការណ៍សាកល្បងមួយយោងតាមគំរូរបាយការណ៍ ហើយបោះពុម្ពវាចេញ។ គាំទ្រគំរូរបាយការណ៍ Word និង Excel និងអាចត្រូវបានកែសម្រួលដោយសេរី។
(ទិន្នន័យគឺសម្រាប់ជាឯកសារយោងតែប៉ុណ្ណោះ និងមិនមានសារៈសំខាន់ជាក់ស្តែង)
8. ឧបករណ៍ការពារសុវត្ថិភាព
(1) នៅពេលដែលកម្លាំងសាកល្បងលើសពី 2% -5% នៃកម្លាំងសាកល្បងអតិបរមា ការការពារលើសទម្ងន់ត្រូវបានធ្វើឱ្យសកម្ម ហើយប្រព័ន្ធមិនត្រូវបានផ្ទុក។
(2) នៅពេលដែល piston ឡើងដល់ទីតាំងកំណត់ខាងលើ ការការពារដាច់សរសៃឈាមខួរក្បាលឈប់ ហើយម៉ូទ័របូមប្រេងឈប់។
ការអនុវត្តសំខាន់ៗ និងសូចនាករបច្ចេកទេស
| ទេ | ឈ្មោះគម្រោង | ប៉ារ៉ាម៉ែត្រ |
| 1 | កម្លាំងសាកល្បងអតិបរមា kN | ប្រាំមួយរយ |
| 2 | រចនាសម្ព័ន្ធម៉ាស៊ីន | សសរស្តម្ភចំនួនបួន និងវីសនាំមុខពីរ |
| 3 | កំហុសទាក់ទងនៃការចង្អុលបង្ហាញកម្លាំងសាកល្បង | ≤ ± 1% នៃតម្លៃដែលបានចង្អុលបង្ហាញ |
| 4 | ជួរវាស់កម្លាំងសាកល្បង | 2% ~ 100% នៃកម្លាំងសាកល្បងអតិបរមា |
| 5 | ជួរគ្រប់គ្រងភាពតានតឹងល្បឿនថេរ (N/mm2 · S-1) | ២~៦០ |
| 6 | ជួរគ្រប់គ្រងភាពតានតឹងថេរ | 0.00025/s ~ 0.0025/s |
| 7 | ជួរគ្រប់គ្រងការផ្លាស់ទីលំនៅល្បឿនថេរ (mm/min) | 0.5 ~ 50 |
| 8 | ប្រព័ន្ធគៀប | ការតោងធារាសាស្ត្រ |
| 9 | ការតោងគំរូរាងជារង្វង់ អង្កត់ផ្ចិតជួរ mm | ជ្រើសរើសសំណុំណាមួយក្នុងចន្លោះពី Φ 6 ដល់ Φ 40 |
| 10 | សំណាកសំណាកសំប៉ែត ជួរកម្រាស់មម | 0 ~ 15 |
| 11 | សំណាកសំណាកសំប៉ែត ទទឹងមម | ចិតសិប |
| 12 | ចន្លោះតេស្តកម្លាំងអតិបរមា mm | 550 (ទំហំអាចប្ដូរតាមបំណងបាន) |
| 13 | ទំហំសាកល្បងការបង្ហាប់អតិបរមា mm | 500 (ទំហំអាចប្ដូរតាមបំណងបាន) |
| 14 | វិមាត្រខាងក្រៅនៃគណៈរដ្ឋមន្ត្រី | ១១០០ × ៦២០ × ៨៥០ |
| 15 | ទំហំម៉ាស៊ីនគិតជាមីលីម៉ែត្រ | 900 × 630 × 2300 (ទំហំអាចប្ដូរតាមបំណង) |
| 16 | ថាមពលម៉ូទ័រ kW | ពីរចំណុចបី |
| 17 | ទំងន់ម្ចាស់ផ្ទះគីឡូក្រាម | មួយពាន់ប្រាំរយ |
| 18 | ចម្ងាយកណ្តាលជួរឈរ (មម) | បួនរយហាសិប |
| 19 | ទំហំចានសម្ពាធខាងលើ និងខាងក្រោម ម | Φ160 |
| 20 | គម្លាតដំបងគាំទ្រពត់មម | 450 (ទំហំអាចប្ដូរតាមបំណងបាន) |
| 21 | ទទឹងដំបងគាំទ្រពត់មម | 140 (ទំហំអាចប្ដូរតាមបំណងបាន) |
| 22 | កម្រិតពត់ដែលអាចអនុញ្ញាតបាន mm | 100 (ទំហំអាចប្ដូរតាមបំណង) |
| 23 | អតិបរមា piston stroke mm | ពីររយ |
| 24 | ល្បឿនចលនា piston អតិបរមា mm/min | ប្រហែល 60 |
| 25 | សាកល្បងល្បឿនលៃតម្រូវទំហំ mm/min | ប្រហែល 150 |
ការកំណត់រចនាសម្ព័ន្ធស្តង់ដារ
| ទេ | ឈ្មោះ | លក្ខណៈបច្ចេកទេស | ចំនួន | សុន្ទរកថា |
| 1 | ម្ចាស់ផ្ទះ |
| 1 ឈុត | ផលិតដោយខ្លួនឯង។ |
| 2 | ប្រភពប្រេងដែលគ្រប់គ្រងដោយ Servo |
| 1 ឈុត | ផលិតដោយខ្លួនឯង។ |
| 4 | គណៈរដ្ឋមន្ត្រី |
| 1 ឈុត | ផលិតដោយខ្លួនឯង។ |
| 5 | ប្រព័ន្ធវាស់វែង និងត្រួតពិនិត្យ |
| 1 ឈុត | ផលិតដោយខ្លួនឯង។ |
| 6 | ឧបករណ៍ចាប់សញ្ញានិយាយកង់ |
| 1 ភី | ការធ្វើតេស្តទូលំទូលាយ |
| 7 | ឧបករណ៍បំលែងកូដ |
| 1 ភី | ជីណាន |
| 8 | កុំព្យូទ័រ |
| 1 ឈុត | HP |
| 9 | ម៉ាស៊ីនបោះពុម្ព |
| 1 ឈុត | HP |
| 10 | ថ្គាមសំណាករាងមូល mm | ជ្រើសរើសគូណាមួយក្នុងជួរ Φ 6- Φ 13, Φ 13- Φ 26, និង Φ 26- Φ 40 | 1 ភី | ផលិតដោយខ្លួនឯង។
|
| 11 | ថ្គាមគំរូសំប៉ែត mm | 0 ~ 15 | 1 ភី | |
| 12 | ឯកសារភ្ជាប់បង្ហាប់ mm | Φ150 | 1 ឈុត | ផលិតដោយខ្លួនឯង។ |
| 13 | ម៉ាស៊ីនបូមប្រេង |
| 1 ឈុត | Mazzic ប្រទេសអ៊ីតាលី |
| 14 | គ្រឿងម៉ាស៊ីនអគ្គិសនី |
| 1 ឈុត | សៀងហៃ សុងហ៊ុយ |
| 15 | ឯកសារបច្ចេកទេស | សៀវភៅណែនាំអ្នកប្រើប្រាស់ បញ្ជីវេចខ្ចប់ វិញ្ញាបនបត្រនៃការអនុលោម | 1 ភី | ផលិតដោយខ្លួនឯង។ |
នីតិវិធីប្រតិបត្តិការ៖
នីតិវិធីប្រតិបត្តិការសម្រាប់ម៉ាស៊ីនតេស្ត servo អេឡិចត្រូអ៊ីដ្រូលីក
1. ចាប់ផ្តើមកុំព្យូទ័រ ហើយបញ្ចូលកម្មវិធី
2. ចាប់ផ្តើមកុងតាក់ថាមពល និងកុងតាក់មេប្រភពប្រេងរបស់ឧបករណ៍បញ្ជា servo អេឡិចត្រូអ៊ីដ្រូលីក
3. កែសម្រួលធ្នឹមឆ្លងកាត់កណ្តាលនៃម៉ាស៊ីនសាកល្បងទៅទីតាំងសមស្រប ហើយជំនួសឧបករណ៍ដែលសមស្របទៅតាមរូបរាង ទំហំ និងគោលបំណងពិសោធន៍នៃគំរូ
4. បើកកុងតាក់ថាមពលរបស់ស្នប់ប្រេង ហើយលើកស៊ីឡាំងប្រេងរបស់ម៉ាស៊ីនសាកល្បង ដើម្បីបំបាត់ទំងន់របស់វា។ (អ្នកអាចជ្រើសរើសល្បឿនផ្លាស់ទីលំនៅ 10mm/min ហើយចុចប៊ូតុង [ឡើង] ដើម្បីលើកស៊ីឡាំងប្រេងប្រហែល 1mm)។
5. បញ្ចូលព័ត៌មានពាក់ព័ន្ធអំពីរចនាប័ទ្មនៅក្នុងកំណែទិន្នន័យរបស់កម្មវិធី។
6. បន្ទាប់ពីការតោងស្ទីលនៅលើថ្គាមខាងលើ សូមកំណត់តម្លៃកម្លាំងឡើងវិញទៅសូន្យ កែសំរួលឈើឆ្កាងកណ្តាលទៅទីតាំងសមស្រប តោងថ្គាមខាងក្រោម ហើយកំណត់ការផ្លាស់ទីលំនៅ និងការខូចទ្រង់ទ្រាយឡើងវិញ។ (រចនាប័ទ្មគួរត្រូវបានតោងច្រើនជាង 80% នៃថ្គាមទាំងអស់ ហើយរក្សាបញ្ឈរ និងតម្រឹម)
7. ជ្រើសរើសល្បឿន ឬផែនការសមស្រប ចុចប៊ូតុង 【ចាប់ផ្តើម】 នៅក្នុងកម្មវិធី ហើយធ្វើការពិសោធន៍
បន្ទាប់ពីការបាក់ឆ្អឹងគំរូ ការធ្វើតេស្តបញ្ចប់ដោយស្វ័យប្រវត្តិ។ ដើម្បីមើលទិន្នន័យពិសោធន៍ ចុចលើកំណែទិន្នន័យនៅក្នុងកម្មវិធី ដើម្បីមើលទិន្នន័យដែលត្រូវការ
បន្ទាប់ពីការបញ្ចប់នៃការធ្វើតេស្តគំរូទាំងអស់ ស្តុងស៊ីឡាំងប្រេងធ្លាក់ទៅផ្នែកខាងក្រោមនៃស៊ីឡាំងប្រេង ហើយកុងតាក់ចម្បងប្រភពប្រេងត្រូវបានបិទ។
8. ចេញពីកម្មវិធីប្រតិបត្តិការ បិទកុំព្យូទ័រ និងបិទថាមពលម៉ាស៊ីន។
យកចិត្តទុកដាក់៖
1. កោរសក់ដែកនៅក្នុងថ្គាមរបស់ម៉ាស៊ីនសាកល្បង គួរតែត្រូវបានដកចេញជាទៀងទាត់ ដើម្បីរក្សាថ្គាមឱ្យស្អាត។
នៅពេលសម្អាតឧបករណ៍ និងរក្សាអនាម័យក្នុងបរិយាកាសការងារ ថាមពលគួរតែត្រូវបានផ្តាច់
ក្នុងអំឡុងពេលពិសោធន៍ ប្រសិនបើម៉ាស៊ីនបូមប្រេងឈប់ដំណើរការភ្លាមៗ បន្ទុកដែលបានអនុវត្តគួរតែត្រូវបានដក ពិនិត្យ ហើយស្នប់ប្រេងគួរតែត្រូវបានចាប់ផ្តើមឡើងវិញ។
នៅពេលដែលម៉ាស៊ីនសាកល្បងត្រូវបានផ្អាកជាបណ្តោះអាសន្ន ម៉ូទ័របូមប្រេងគួរតែត្រូវបានបិទ ហើយកៅអីសាកល្បងគួរតែត្រូវបានបន្ទាបបន្ទាប់ពីការធ្វើតេស្តត្រូវបានបញ្ចប់។ ស្តុងនៃស៊ីឡាំងប្រេងមិនគួរធ្លាក់ទៅបាតស៊ីឡាំងទេ ហើយហូរចេញពីចម្ងាយជាក់លាក់ ដើម្បីសម្រួលដល់ការប្រើប្រាស់នាពេលអនាគត។
5. ជៀសវាងការទុកឱ្យឧបករណ៍សើម ឬប៉ះជាមួយសារធាតុរាវ និងការពារឧបករណ៍មិនឱ្យរង្គើ ឬប៉ះពាល់។
6. សូមកុំចាកចេញពីបន្ទប់វះកាត់ ហើយចុចកុងតាក់ឈប់សង្គ្រោះបន្ទាន់ ក្នុងករណីមានអាសន្ន
7. នៅឱ្យឆ្ងាយពីការរំខានម៉ាញេទិក
8. បុគ្គលិកបច្ចេកទេសដែលមិនមានជំនាញវិជ្ជាជីវៈមិនត្រូវបានអនុញ្ញាតឱ្យកែប្រែកម្មវិធីកម្មវិធីរបស់ម៉ាស៊ីនសាកល្បងនោះទេ។
ការធានាគុណភាព
ក្រុមហ៊ុនធានាថាផលិតផលទាំងអស់ត្រូវបានផលិតស្របតាមស្តង់ដារជាតិដែលត្រូវគ្នា។
ក្រុមហ៊ុនធានាថាគ្រឿងបន្លាស់ក្នុងស្រុកទាំងអស់គឺមកពីម៉ាកល្បី ៗ ដែលមានគុណភាពល្អ។
ក្រុមហ៊ុនធានាថារាល់គ្រឿងបន្លាស់បរទេសគឺជាផលិតផលដើម និងពិតប្រាកដពីរោងចក្រ។
ក្រុមហ៊ុនធានាថាផលិតផលដែលផ្តល់ជូនអ្នកប្រើប្រាស់គឺជាម៉ាកម៉ាស៊ីនដើមថ្មី។
ក្រុមហ៊ុនធានាថាផលិតផលទាំងអស់ដែលចេញពីរោងចក្រឆ្លងកាត់ការត្រួតពិនិត្យយ៉ាងតឹងរឹងតាមនីតិវិធី។
ក្រុមហ៊ុនសន្យាថានឹងទទួលយកអតិថិជនមកមើល និងត្រួតពិនិត្យរោងចក្រនៅពេលណាក៏បាន។
លក្ខខណ្ឌនៃការរៀបចំអ្នកប្រើប្រាស់
ប្រតិបត្តិករជំនាញក្នុងកម្មវិធីកុំព្យូទ័រ;
អ្នកប្រើគួរតែបញ្ជាក់អំពីវិធីសាស្ត្រសាកល្បង និងសេចក្ដីលម្អិតស្ដង់ដារដែលការពិសោធន៍សំដៅលើ និងបន្ទាប់មក។
ផ្តល់សំណាកដែលត្រូវបានសាកល្បងនៅលើម៉ាស៊ីននេះសម្រាប់ការធ្វើតេស្តផលិតផល ការត្រួតពិនិត្យរោងចក្រ និងការធ្វើតេស្តកែតម្រូវម៉ាស៊ីន។
លំហ គ្រឹះ ការផ្គត់ផ្គង់ថាមពល ល ដែលត្រូវការសម្រាប់ការដំឡើងផលិតផល;
បន្ទប់ពិសោធន៍គួរតែត្រូវបានបំពាក់ដោយម៉ាស៊ីនត្រជាក់ជាមួយនឹងសីតុណ្ហភាពក្នុងផ្ទះគ្រប់គ្រងរវាង 15-25 ℃ និងសំណើម<70%;
ទទួលខុសត្រូវក្នុងការទទួល រក្សាទុក និងផ្លាស់ប្តូរទីតាំងផលិតផល;
ការប្រើប្រាស់និងការថែទាំ
បុគ្គលិកធ្វើតេស្តថេរ និងបណ្តុះបណ្តាលត្រូវតែត្រូវបានរៀបចំដើម្បីដំណើរការផលិតផល ហើយអ្នកផ្សេងទៀតមិនត្រូវបានអនុញ្ញាតឱ្យដំណើរការវាទេ។
នៅពេលប្រើប្រាស់ផលិតផល ប្រតិបត្តិករគួរតែអនុវត្តតាមការបណ្តុះបណ្តាល និងការណែនាំដែលពួកគេបានទទួល ដើម្បីដំណើរការវាតាមនីតិវិធីត្រឹមត្រូវ។
ប្រតិបត្តិករគួរតែស្ទាត់ជំនាញលើស្តង់ដារតេស្តដែលត្រូវគ្នា ដើម្បីកំណត់លទ្ធផលតេស្តឲ្យបានត្រឹមត្រូវ។
ប្រតិបត្តិករត្រូវតែអានដោយប្រុងប្រយ័ត្ននូវសៀវភៅណែនាំម៉ាស៊ីន និងសៀវភៅណែនាំកម្មវិធី។
នៅចុងបញ្ចប់នៃការពិសោធន៍, បិទម៉ាស៊ីននៅក្នុងលំដាប់ត្រឹមត្រូវនិងកាត់ផ្តាច់ប្រភពថាមពលទាំងអស់;
ប្រសិនបើឧបករណ៍ជំនួយសាកល្បងដែលផលិតដោយខ្លួនឯងត្រូវបានប្រើ រចនាសម្ព័ន្ធដើមនៃផលិតផលមិនត្រូវផ្លាស់ប្តូរ ឬខូចកំឡុងពេលដំឡើងឡើយ។
ប្រសិនបើមានស្ថានភាពមិនប្រក្រតី ឬការដាច់ចរន្តអគ្គិសនីកំឡុងពេលប្រតិបត្តិការរបស់ម៉ាស៊ីនសាកល្បង ហើយប៊ូតុងចាប់ផ្តើម ឬបញ្ឈប់មិនដំណើរការ ថាមពលគួរតែត្រូវបានកាត់ជាបន្ទាន់ ដើម្បីបញ្ឈប់ម៉ាស៊ីនសាកល្បងមិនដំណើរការ។
វីសនិងផ្នែកបញ្ជូនគួរតែត្រូវបានស្រោបជាទៀងទាត់ជាមួយប្រេងរំអិលដើម្បីការពារការកកិតស្ងួត។
ប្រសិនបើផលិតផលមានដំណើរការខុសប្រក្រតី សូមទាក់ទងផ្នែកសេវាកម្មអតិថិជនរបស់យើងក្នុងលក្ខណៈទាន់ពេលវេលា ហើយកុំផ្តាច់វាដោយផ្ទាល់ដោយគ្មានការអនុញ្ញាត។
កុំកែប្រែផលិតផលដោយខ្លួនឯង។

SHANDONG DRICK INSTRUMENTS CO.,LTD
ប្រវត្តិរូបក្រុមហ៊ុន
ក្រុមហ៊ុន Shandong Drick Instruments Co., Ltd ត្រូវបានចូលរួមជាចម្បងនៅក្នុងការស្រាវជ្រាវ និងការអភិវឌ្ឍន៍ ការផលិត និងការលក់ឧបករណ៍សាកល្បង។
ក្រុមហ៊ុននេះបានបង្កើតឡើងក្នុងឆ្នាំ 2004 ។
ផលិតផលត្រូវបានប្រើប្រាស់នៅក្នុងអង្គភាពស្រាវជ្រាវវិទ្យាសាស្ត្រ ស្ថាប័នត្រួតពិនិត្យគុណភាព សាកលវិទ្យាល័យ ការវេចខ្ចប់ ក្រដាស ការបោះពុម្ព កៅស៊ូ និងផ្លាស្ទិច សារធាតុគីមី អាហារ ឱសថ វាយនភ័ណ្ឌ និងឧស្សាហកម្មផ្សេងៗទៀត។
Drick យកចិត្តទុកដាក់លើការបណ្តុះទេពកោសល្យ និងការកសាងក្រុម ដោយប្រកាន់ខ្ជាប់នូវគោលគំនិតនៃការអភិវឌ្ឍន៍វិជ្ជាជីវៈ ការលះបង់.pragmatism និងការច្នៃប្រឌិត។
ការប្រកាន់ខ្ជាប់នូវគោលការណ៍តម្រង់ទិសអតិថិជន ដោះស្រាយតម្រូវការបន្ទាន់ និងជាក់ស្តែងបំផុតរបស់អតិថិជន និងផ្តល់ដំណោះស្រាយលំដាប់ថ្នាក់ដំបូងដល់អតិថិជនជាមួយនឹងផលិតផលដែលមានគុណភាពខ្ពស់ និងបច្ចេកវិទ្យាទំនើប។










